產品中心Product Navigation
熱門產品Hot products
解決方案Solution
聯系方式Contact information
產品概述:
名稱:150mm熱成像鏡頭
型號:HRC-TL150
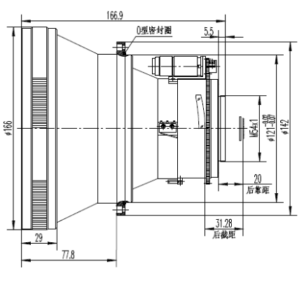
產品尺寸圖:

|
光學系統參數表 |
|
|
焦距(f‘) |
150 |
|
光圈(F) |
1.0 |
|
水平視場角 |
6.1° |
|
垂直視場角 |
4.58° |
|
全視場角 |
7.63° |
|
工作波段 |
8~12um |
|
調焦距離 |
∞~10米 |
|
電調焦 |
支持 |
|
探測器類型 |
640*480(□25um) |
|
像面尺寸 |
16*12(Φ20) |
相關產品
New products
了解更多>